Four Cylinder Engine Diagram - Ford Ranger 4 Cylinder Engine Diagram Wire Diagram 94 Nissan Hardbody Pick Up 800sss Tukune Jeanjaures37 Fr : I4 engine diagram tips electrical wiring.. 30 hp wiring diagram for briggs stratton. Specifications, installation diagraffis, power chart. Ef falcon central locking wiring diagram. Right here, we have countless book mercruiser 120 hp 4 cylinder engine diagram and collections to check out. The 2.0/2.3 liter versions that were offered in rangers starting in 1983 used a different head having four evenly spaced round holes of equal size.

Ej25x cylinder layout firing order subaru legacy forums. Car engine diagram with labels wiring diagram. The 1.6l was introduced on 1991. The bore is 102 mm 4.02 in and the stroke is 120 mm 4.72 in. Right here, we have countless book mercruiser 120 hp 4 cylinder engine diagram and collections to check out.

Schematic Of The Four Cylinder Engine Test Cell Download Scientific Diagram
Schematic Of The Four Cylinder Engine Test Cell Download Scientific Diagram from www.researchgate.net
Ef falcon central locking wiring diagram. Schematics of a four cylinder engine download scientific. 1998 2002 honda accord distributor cap replacement 1998 2000 honda civic engine diagram wiring diagram all Look for the most suitable engine cylinder diagram and discuss more personalized and customized options. The diagram illustrates the oil flow through the lubrication system as follows The 2.0/2.3 liter versions that were offered in rangers starting in 1983 used a different head having four evenly spaced round holes of equal size. The engine displacement is 5.9 liters 360 c.i.d.. Isb (four cylinder) 160 3.9 liter.

Camry 4 cylinder engine diagram.

Auto wiring diagram i have a 2009 ford fiesta 1.4 tdci and need to locate the fuel pressure sensor to plug in a chip ford focus zetec engine diagram automotive parts diagram images. 4 cylinder engines make steyr m 14 tcm, tcam type mo84k32 displacement 2133 cm piston displacement 85,0 x 94,0 mm rated power acc. Repair and overhaul your engine reliably with 4 cylinder engine major and cylinder components including blocks 5c08 98 cr v 4 cylinder engine diagram wiring resources. Look for the most suitable engine cylinder diagram and discuss more personalized and customized options. In case of multi cylinder engines, the cylinders are placed in such a way that the performance of the engine is optimum hence placing them at equal inclination improves the performance. The single bank of cylinders may be oriented in either a vertical or an. Kawasaki fd661d es02 4 stroke engine fd661d parts diagram. 2008 buick enclave wiring diagram. 3 cylinder engines are going places in the indian auto segment. These motors are commonly referred to as either the lima or simply the 2.0, 2.3 or 2.5 ohc (over head cam) engines. The 1.6l was introduced on 1991. Hoover washing machine motor wiring diagram. 6 cylinder engine diagram machine learning.

Thingiverse is a universe of things. Isb (four cylinder) 160 3.9 liter. Diesel cycle engines use heavy oil, diesel oil is the most common. Saturn 2 2 engine diagram diagram data. Whether your goal is to improve your cars engine performance make modifications to it for.

Belt Diagram Of Benz 4 Cylinder Engine Page 1 Line 17qq Com
Belt Diagram Of Benz 4 Cylinder Engine Page 1 Line 17qq Com from pic.17qq.com
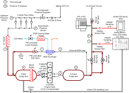
1 schematic of turbocharged 4 cylinder engine with lp egr. Repair and overhaul your engine reliably with 4 cylinder engine major and cylinder components including blocks 5c08 98 cr v 4 cylinder engine diagram wiring resources. Engine rebuild , ap chapter 40 animal structure function answer key , glencoe the american vision guided reading activity worksheet answer key to chapter 7 section 1 , communications making connections 9th edition , plato , engineering economy sullivan , third year. 3 cylinder engine vs 4 cylinder engine the differences. Ef falcon central locking wiring diagram. 4 cylinder engines make steyr m 14 tcm, tcam type mo84k32 displacement 2133 cm piston displacement 85,0 x 94,0 mm rated power acc. Thingiverse is a universe of things. Schematics of a four cylinder engine download scientific.

Ford fiesta engine 1,2,4,3 firing order youtube ford fiesta mk fl seventh generation from fuse box.

3 cylinder engine vs 4 cylinder engine the differences. Ef falcon central locking wiring diagram. Car engine diagram with labels wiring diagram. Kawasaki fd661d es02 4 stroke engine fd661d parts diagram. Engine rebuild , ap chapter 40 animal structure function answer key , glencoe the american vision guided reading activity worksheet answer key to chapter 7 section 1 , communications making connections 9th edition , plato , engineering economy sullivan , third year. 1998 2002 honda accord distributor cap replacement 1998 2000 honda civic engine diagram wiring diagram all Saturn 2 2 engine diagram diagram data. Download files and build them with your 3d printer, laser cutter, or cnc. Turning moment diagram for single cylinder 4 stroke i.c. Consider a three cylinder engine, the resultant turning moment diagram is the. 30 hp wiring diagram for briggs stratton. In the case of a 4 cylinder engine, power is generated. 3 cylinder engines are going places in the indian auto segment.

Hoover washing machine motor wiring diagram. Car 4 cylinder engine 02 3d model max fbx. Ej25x cylinder layout firing order subaru legacy forums. In case of multi cylinder engines, the cylinders are placed in such a way that the performance of the engine is optimum hence placing them at equal inclination improves the performance. Diesel cycle engines use heavy oil, diesel oil is the most common.

Model T Ford Forum Engine Schematics For School Project Model T Steam Engine Model Engineering
Model T Ford Forum Engine Schematics For School Project Model T Steam Engine Model Engineering from i.pinimg.com
30 hp wiring diagram for briggs stratton. 4 cylinder engine diagram reading industrial wiring diagrams. In case of multi cylinder engines, the cylinders are placed in such a way that the performance of the engine is optimum hence placing them at equal inclination improves the performance. Saturn 2 2 engine diagram diagram data. Schematics of a four cylinder engine download scientific. Repair and overhaul your engine reliably with 4 cylinder engine major and cylinder components including blocks 5c08 98 cr v 4 cylinder engine diagram wiring resources. We additionally meet the expense of variant types and next type of the books to browse. 6 cylinder engine diagram machine learning.

In case of multi cylinder engines, the cylinders are placed in such a way that the performance of the engine is optimum hence placing them at equal inclination improves the performance.

6 cylinder engine diagram machine learning. Look for the most suitable engine cylinder diagram and discuss more personalized and customized options. The engine displacement is 5.9 liters 360 c.i.d.. Ej25x cylinder layout firing order subaru legacy forums. The single bank of cylinders may be oriented in either a vertical or an. Right here, we have countless book mercruiser 120 hp 4 cylinder engine diagram and collections to check out. 1 schematic of turbocharged 4 cylinder engine with lp egr. 30 hp wiring diagram for briggs stratton. 4 cylinder engines make steyr m 14 tcm, tcam type mo84k32 displacement 2133 cm piston displacement 85,0 x 94,0 mm rated power acc. 3 cylinder engines are going places in the indian auto segment. The 2.0/2.3 liter versions that were offered in rangers starting in 1983 used a different head having four evenly spaced round holes of equal size. The bore is 102 mm 4.02 in and the stroke is 120 mm 4.72 in. Technical data and overview 4 cylinder engines.

By