1994 Toyota Tercel Engine Diagram : 1996 Toyota Tercel Fuse Box Diagram Wiring Diagram Mug Spark Mug Spark Atlanticsport It : Regular servicing and maintenance of your toyota tercel can help maintain its resale value, save you money introduction chapter 1:. Engine and general engine overhaul. Toyota engine free repair manuals pdf. 1984, 1984, 1984, 1985, 1990, 1994, 1996 and 1997. Toyota tercel ignition coil no start troubleshooting. Earlier models of the tercel earned a reputation for overall economy of ownership (not just gas mileage) and general toughness.

We've checked the years that the manuals cover and we have toyota tercel repair manuals for the following years; 1984 toyota tercel 4 dr sr5 awd wagon. The following one or two letters indicate the engine family. The tercel is a subcompact manufactured from 1978 to 1999 across five generations, in five body configurations — sized between the corolla and the starlet. Toyota engine free repair manuals pdf.

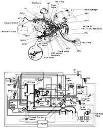
1992 Toyota Tercel Engine Diagram Wiring Diagram Forge Perfomance A Forge Perfomance A Prevention Medoc Fr
1992 Toyota Tercel Engine Diagram Wiring Diagram Forge Perfomance A Forge Perfomance A Prevention Medoc Fr from www.2carpros.com
We've checked the years that the manuals cover and we have toyota tercel repair manuals for the following years; Complete coverage for your vehicle. Back up light.pdf corolla 2004. This is a list of engines developed, independently or with other car companies, by toyota. Earlier models of the tercel earned a reputation for overall economy of ownership (not just gas mileage) and general toughness. Toyota tercel, automotive repair manual, 1987 thru 1994. It will be located on the left side. Toyota tercel ignition coil no start troubleshooting.

Engine and general engine overhaul.

These tercel manuals have been provided by our users, so we can't guarantee completeness. The check engine light on a toyota tercel can come on for a variety of reasons. I live in the northeast usa (rustbelt)the car alway been parked outside and i said its just starting to show its age. 1979 toyota auto manual tercel a engine repair j. 1984 toyota tercel 4 dr sr5 awd wagon. The following one or two letters indicate the engine family. Location of fuel filter on 1994 tercel. The tercel is a subcompact manufactured from 1978 to 1999 across five generations, in five body configurations — sized between the corolla and the starlet. What is the drivetrain, toyota tercel (ac52) sedan 1994 1.5 td (67 hp)? Toyota tercel ignition coil no start troubleshooting. Find everything you need to know about your 1994 toyota tercel in the owners manual from toyota owners. Back up light.pdf corolla 2004. The first numeric characters indicate the engine block generation.

Earlier models of the tercel earned a reputation for overall economy of ownership (not just gas mileage) and general toughness. The starter on a 1991 toyota tercel is located in the front of the engine. Find everything you need to know about your 1994 toyota tercel in the owners manual from toyota owners. These tercel manuals have been provided by our users, so we can't guarantee completeness. We've checked the years that the manuals cover and we have toyota tercel repair manuals for the following years;

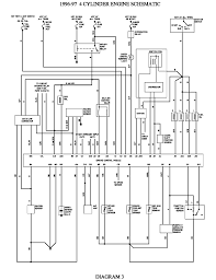
1994 Toyota Tercel Serpentine Belt Routing And Timing Belt Diagrams
1994 Toyota Tercel Serpentine Belt Routing And Timing Belt Diagrams from www.2carpros.com
Valve cover gasket 2e carburetor engine | toyota tercel 1990 1994 (l40). 1994 toyota tercel service shop repair workshop manual set oem w lots. Location of fuel filter on 1994 tercel. Rav4 toyota sequoia toyota sienna toyota supra toyota t100 toyota tacoma toyota tercel toyota tundra toyota yaris. It will be located on the left side. Manufactured at the takaoka plant in toyota city, japan, and sharing its platform with the cynos (aka paseo) and the starlet. We've checked the years that the manuals cover and we have toyota tercel repair manuals for the following years; Toyota tercel, automotive repair manual, 1987 thru 1994.

It will be located on the left side.

1984, 1984, 1984, 1985, 1990, 1994, 1996 and 1997. Toyota engine free repair manuals pdf. Earlier models of the tercel earned a reputation for overall economy of ownership (not just gas mileage) and general toughness. It will be located on the left side. The engine itself never been apart and it never had any work on the fuel injection.tranny never apart. The tercel is a subcompact manufactured from 1978 to 1999 across five generations, in five body configurations — sized between the corolla and the starlet. Complete coverage for your vehicle. Location of fuel filter on 1994 tercel. Engine and general engine overhaul. Valve cover gasket 2e carburetor engine | toyota tercel 1990 1994 (l40). Find everything you need to know about your 1994 toyota tercel in the owners manual from toyota owners. Layout, displacement, horsepower and torque, compression ratio, bore and stroke, oil capacity and type, service data. 1994 toyota tercel service shop repair workshop manual set oem w lots.

The starter on a 1991 toyota tercel is located in the front of the engine. Rav4 toyota sequoia toyota sienna toyota supra toyota t100 toyota tacoma toyota tercel toyota tundra toyota yaris. 94 tercel front light stay on, and cannot get off even i shut off the engine my 1994 tercel front light stay on, and cannot get off even i shut off the engine. Layout, displacement, horsepower and torque, compression ratio, bore and stroke, oil capacity and type, service data. 1979 toyota auto manual tercel a engine repair j.

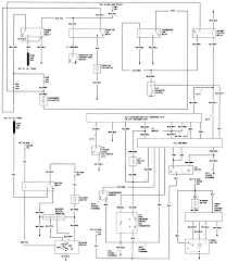
92 Tercel Engine Diagram Wiring Diagram Tuck Central A Tuck Central A Remieracasteo It
92 Tercel Engine Diagram Wiring Diagram Tuck Central A Tuck Central A Remieracasteo It from static-resources.imageservice.cloud
Toyota tercel ignition coil no start troubleshooting. I live in the northeast usa (rustbelt)the car alway been parked outside and i said its just starting to show its age. The tercel is a subcompact manufactured from 1978 to 1999 across five generations, in five body configurations — sized between the corolla and the starlet. 1994 toyota tercel service shop repair workshop manual set oem w lots. 1984, 1984, 1984, 1985, 1990, 1994, 1996 and 1997. Engine and general engine overhaul. Complete coverage for your vehicle. It will be located on the left side.

We've checked the years that the manuals cover and we have toyota tercel repair manuals for the following years;

I live in the northeast usa (rustbelt)the car alway been parked outside and i said its just starting to show its age. Valve cover gasket 2e carburetor engine | toyota tercel 1990 1994 (l40). Toyota tercel ignition coil no start troubleshooting. We've checked the years that the manuals cover and we have toyota tercel repair manuals for the following years; Toyota engine free repair manuals pdf. Layout, displacement, horsepower and torque, compression ratio, bore and stroke, oil capacity and type, service data. Complete coverage for your vehicle. Find everything you need to know about your 1994 toyota tercel in the owners manual from toyota owners. The check engine light on a toyota tercel can come on for a variety of reasons. I have a 1994 toyota tercel with a burnt engine and i want to know if i can put a motor from a 99 tercel. 1984 toyota tercel 4 dr sr5 awd wagon. Toyota tercel, automotive repair manual, 1987 thru 1994. Toyota 2c diesel engine specifications:

By