Home › Unlabelled ›
Mallory Distributor Wiring Diagram - Diagram Wiring Diagram For Mallory Distributor Full Version Hd Quality Mallory Distributor Followingideas Unist It / Just simply click an image below for the correct instructions pack that would be supplied with your mallory distributor or for just a simple wiring diagram click the.
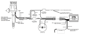
Mallory Distributor Wiring Diagram - Diagram Wiring Diagram For Mallory Distributor Full Version Hd Quality Mallory Distributor Followingideas Unist It / Just simply click an image below for the correct instructions pack that would be supplied with your mallory distributor or for just a simple wiring diagram click the.. Handy wiring diagram that shows a paper trail of how the electrical system works for the 7.3l powerstroke engines, all trucks, excursions, vans. Distributor wiring for batch fuel injection. It was a copy i had to photoshop to make it readable & printable. Mallory unilite wiring diagram sbc diagrams schematics. If you wish to perform any required small engine maintenance or repairs.
Actros nummek units wiring diagram. Figure 1 wiring diagram using oem primary (loom) resistance wire. To locate the correct wiring diagram for your vehicle you will need: Distributor and msd ignition box wiring. Mallory replacement wire harnesses are available for multiple uses and configurations.
Download Mallory Unilite Dist Wiring Diagram Full Quality Jpowerblog Upgrade6a Fr from i.pinimg.com A wiring diagram is limited in its ability to completely convey the controller's sequence of operation. Mallory distributor wiring diagram wiring schematic. Control unit fuse rear module hm, terminal 30. There are more than one. All other wires originally connected to the coil (+) terminal. Navistar / international wiring diagrams. This pictorial diagram shows us the. The elementary diagram is used where an illustration of the circuit in its simplest form is desired.
Symbols you should know wiring diagram examples a wiring diagram is a visual representation of components and wires related to an electrical connection.
Mallory distributor wiring diagram wiring schematic. Type of wiring diagram wiring diagram vs schematic diagram how to read a wiring diagram: Actros nummek units wiring diagram. Distributor wiring for batch fuel injection. It shows the components of the circuit as simplified shapes, and the power and signal connections between the devices. It was a copy i had to photoshop to make it readable & printable. Gm hei ignition distributor wiring diagrams and guide. 12v/ignition switch loom resistance wire red distributor. Symbols that represent the components in the circuit, and lines that represent the connections between them. Control unit fuse rear module hm, terminal 30. The open terminals (marked by an open circle) and arrows represent connections made by the user. Insert terminal assembly with red wire into the cavity on the distributor cap where previous coil terminal assembly with red wire had been. In an industrial setting a plc is not simply plugged into a wall socket.
To locate the correct wiring diagram for your vehicle you will need: Symbols you should know wiring diagram examples a wiring diagram is a visual representation of components and wires related to an electrical connection. Mallory unilite wiring diagram sbc diagrams schematics. Electrical wiring diagrams of a plc panel. It shows the components of the circuit as simplified shapes, and the power and signal connections between the devices.
Diagram Mallory Prop Distributor Wiring Diagram Full Version Hd Quality Wiring Diagram Diagrameamesr Macchineassemblaggio It from tse3.mm.bing.net Since wiring connections and terminal markings are shown, this type. All other wires originally connected to the. Mallory distributor wiring diagram wiring schematic. The purpose of an ignition ballast resistor between the ignition switch 12v and the ignition coil positive terminal is to restrict current. This pictorial diagram shows us the. Gm hei ignition distributor wiring diagrams and guide. It's very detailed and shows how every wire for each component routes to the. Actros nummek units wiring diagram.
Mallory replacement wire harnesses are available for multiple uses and configurations.
Wiring diagrams contains all wiring diagrams not included in starting & charging systems and accessories & equipment. Insert terminal assembly with red wire into the cavity on the distributor cap where previous coil terminal assembly with red wire had been. Since wiring connections and terminal markings are shown, this type. This pictorial diagram shows us the. Mallory distributor wiring diagram wiring schematic. The open terminals (marked by an open circle) and arrows represent connections made by the user. Ensure you are getting the best performance out of your ignition system. In addition to wiring diagrams, these guides also provide information on alternator identification and procedures for an engine replacement with a new briggs & stratton engine that utilizes a different style alternator (output connector). Make and model of abs ecu. Electrical wiring diagrams of a plc panel. This is essential for industrial control systems that may contain hundreds or thousands of wires. Mallory unilite wiring diagram with regard to mallory unilite distributor wiring diagram, image size 1025 x 648 px, and here is a picture gallery about mallory unilite distributor wiring diagram complete with the description of the image, please find the image you need. Distributor and msd ignition box wiring.
12v/ignition switch loom resistance wire red distributor. Gm hei ignition distributor wiring diagrams and guide. Make and model of abs ecu. Actros nummek units wiring diagram. Wiring diagrams are made up of two things:
Diagram Mallory 5048201 Wiring Diagram Full Version Hd Quality Wiring Diagram Diagramperineum Magnetikitalia It from i1.wp.com This pictorial diagram shows us the. A wiring diagram is a simplified conventional pictorial representation of an electrical circuit. It's very detailed and shows how every wire for each component routes to the. Insert terminal assembly with red wire into the cavity on the distributor cap where previous coil terminal assembly with red wire had been. Learn about the wiring of gm hei ignition distributors with our diagrams and guide. To locate the correct wiring diagram for your vehicle you will need: Actros nummek units wiring diagram. Gm hei ignition distributor wiring diagrams and guide.
The elementary diagram is used where an illustration of the circuit in its simplest form is desired.
Wiring diagrams contains all wiring diagrams not included in starting & charging systems and accessories & equipment. Just simply click an image below for the correct instructions pack that would be supplied with your mallory distributor or for just a simple wiring diagram click the. Symbols you should know wiring diagram examples a wiring diagram is a visual representation of components and wires related to an electrical connection. It's very detailed and shows how every wire for each component routes to the. To locate the correct wiring diagram for your vehicle you will need: Electrical wiring diagrams of a plc panel. Insert terminal assembly with red wire into the cavity on the distributor cap where previous coil terminal assembly with red wire had been. In an industrial setting a plc is not simply plugged into a wall socket. Ensure you are getting the best performance out of your ignition system. Remove the distributor cap and check for wear. Gm hei ignition distributor wiring diagrams and guide. Distributor wiring for batch fuel injection. This pictorial diagram shows us the.